Tente hjul 2470DIK050P40 Konus-leje,grå gummi

Drejeligt hjul uden bremse - til plademontering.
  • Gaffel af stål, blå-kromatiseret. 
  • Drejekrans med dobbelt kuglekrans. 
  • Hjul boltet i gaffel, Centerhul. 
  • Hjulfælg: Stål.
  • Hjulbane: Massiv gummi, grå afsmitningsfri.
  • Hjulbane hårdhed: Shore A 80
  • Temperaturinterval: - 20 / + 85 °C 
  • Konuskugleleje, med trådfang. 
  • Belastning: 40 kg

Du kan sende en forespørgsel på produktet ved at udfylde nedenstående formular. Kig længere nede på siden for at se om produktet sælges online.

Fås også med bremse.

  • UNSPSC-kode: 25171900

  • Montering: Plademontering
  • Bremse: Nej
  • Hjuldiameter (Ø mm): 50
  • Byggehøjde (mm): 69
  • Belastning (kg): 40
  • Hjulbane: Massiv gummi, grå
  • Hjulbane hårdhed: Shore A 80
  • Hjulbanebredde (mm): 19
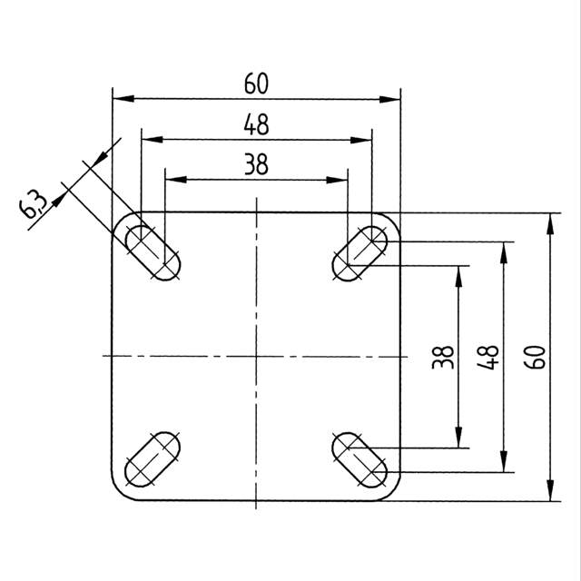
  • Pladestørrelse: 60 x 60 mm
  • Udladning (mm): 24
  • Lejetype: Konus-kugleleje
  • Elektrisk ledende: Nej
  • Afsmitningsfri: Ja
  • Temperaturinterval: -20 / +85°C
  • Standard: EN 12530
  • Varenummer: 600690

Relaterede produkter, tilbehør & reservedele